+86-0523-83274900
Spojnice adaptera Storz - prirubnica
Dom / Proizvod / Adapteri / Spojnice adaptera Storz - prirubnica

Spojnice adaptera Storz - prirubnica

Spojnice adaptera koriste se za povezivanje ili pretvaranje između različitih standarda i vrsta okova. Omogućuju da se inače nekompatibilna sučelja neprimjetno povezuju jedni s drugima.

Spojnice adaptera uključuju, ali nisu ograničene na: Njemački do Storza (muško/žensko), njemački do šumarstva, njemačkog do njemačkog samo-zaključavanja, njemačkog do prirubnice, njemačkog do multi-zuba, Storz mužjaka do ženke Storz, Storz do šumarstva, itd.
Sve vrste adapterskih spojnica mogu se prilagoditi na zahtjev.

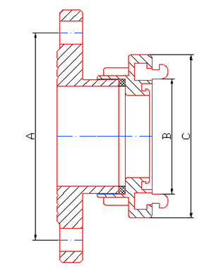
Dimenzija Resursi

Predmet br.

DIN/MM

Dia

A/mm

B/mm

C/mm

/

80

3 "

160

89

126

Small100

4 "

180

115

156

Mali 100 (Američki standard)

4 "

190.5

115

156

Veliki 100

4 "

180

133

182

Big 100 (Američki standard)

4 "

190.5

133

182

150

6 "

240

160

215

150 (Američki standard)

6 "

241.3

160

215

200

8 "

295

220

280

200 (Američki standard)

8 "

298.5

220

280

250

10 "

355

278

339

250 (Američki standard)

10 "

362

278

339

300

12 "

410

316

384

300 (Američki standard)

12 "

431.8

316

384

350

14 "

470

366

448

350 (Američki standard)

14 "

476.3

366

448

* Materijali i proizvodni procesi mogu se prilagoditi na zahtjev.
* Ostali zahtjevi (kao što su radni tlak, tlak i itd.) Također se mogu prilagoditi po potrebi.

Jiangsu Jinding Tehnologija zaštite od požara Co., Ltd.
Jiangsu Jinding Fire Protection Technology Co., Ltd., smještena u zoni ekonomskog razvoja Jiang Su Xinghua, osnovana je 1998. godine. To je industrijska tvrtka koja integrira dizajn, razvoj, proizvodnju i prodaju. Tvrtka je prošla ISO9001: 2015 certificiranje sustava kvalitete i dobrovoljno certificiranje proizvoda, a povezani proizvodi dobili su izvješće o inspekciji Nacionalnog centra za nadzor i inspekciju kvalitete vatrogasne opreme.
Naša tvrtka uglavnom proizvodi nekoliko serija proizvoda, uključujući protupožarne spojnice, vodene mlaznice, protupožarne hidrante, spojnice za cijevi velikog promjera i spojnice za opskrbu vodom iz naftnih polja. Ovi proizvodi se široko koriste u protupožarnoj zaštiti, naftnoj, kemijskoj, vojnoj, prilagođenoj i drugim industrijama.
Tvrtka ima dobru neovisnu mogućnost istraživanja i razvoja i ima kompletan skup proizvodnih procesa kao što su proizvodnja plijesni, proizvodna prerada i testiranje proizvoda. Istodobno, poduzeće pridaje važnost zahtjevima kupaca, pravodobno shvaća tržišnu dinamiku, kontinuirano razvija i proizvodi nove proizvode, a osvaja povjerenje i pohvale novih i starih kupaca.
The company delivers reliable Spojnice adaptera Storz - prirubnica and professional services based on quality commitment and collaborative partnerships, striving to build sustainable cooperative relationships with clients.
27+

27 godina industrije Iskustvo u proizvodnji

Certifikati
Vijesti
Hajde da razgovaramo
Samo pozdravite i započeli ćemo plodnu suradnju. Pokrenite vlastitu priču o uspjehu.
Trebate opremu za vaše poslovanje?
Neka vam tim pruži prilagođena rješenja.