+86-0523-83274900
Žensko spajanje John Morris

Žensko spajanje John Morris

Ženska spojnica John Morris navojna pripada seriji spajanja John Morris, s jednim krajem u kojem se nalazi Unutarnja ili vanjska nit a drugi kraj koji ima a utor spajanja.
Ovo je spajanje naviklo Spojite vatrogasne crijeva i vatrogasnu opremu (poput vatrogasnih pumpi, vatrogasnih crijeva i vatrogasnih hidranta).

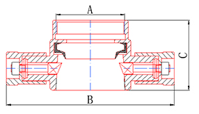
Dimenzija Resursi

Predmet br.

DIN/MM

Dia

A/mm

B/mm

C/mm

Kyk

65/50

2,5 "/2"

G2 "

182

76

65

2.5 "

G2.5 "

182

76

* Materijali i proizvodni procesi mogu se prilagoditi na zahtjev.
* Ostali zahtjevi (kao što su radni tlak, tlak i itd.) Također se mogu prilagoditi po potrebi.

Jiangsu Jinding Tehnologija zaštite od požara Co., Ltd.
Jiangsu Jinding Fire Protection Technology Co., Ltd., smještena u zoni ekonomskog razvoja Jiang Su Xinghua, osnovana je 1998. godine. To je industrijska tvrtka koja integrira dizajn, razvoj, proizvodnju i prodaju. Tvrtka je prošla ISO9001: 2015 certificiranje sustava kvalitete i dobrovoljno certificiranje proizvoda, a povezani proizvodi dobili su izvješće o inspekciji Nacionalnog centra za nadzor i inspekciju kvalitete vatrogasne opreme.
Naša tvrtka uglavnom proizvodi nekoliko serija proizvoda, uključujući protupožarne spojnice, vodene mlaznice, protupožarne hidrante, spojnice za cijevi velikog promjera i spojnice za opskrbu vodom iz naftnih polja. Ovi proizvodi se široko koriste u protupožarnoj zaštiti, naftnoj, kemijskoj, vojnoj, prilagođenoj i drugim industrijama.
Tvrtka ima dobru neovisnu mogućnost istraživanja i razvoja i ima kompletan skup proizvodnih procesa kao što su proizvodnja plijesni, proizvodna prerada i testiranje proizvoda. Istodobno, poduzeće pridaje važnost zahtjevima kupaca, pravodobno shvaća tržišnu dinamiku, kontinuirano razvija i proizvodi nove proizvode, a osvaja povjerenje i pohvale novih i starih kupaca.
The company delivers reliable Žensko spajanje John Morris and professional services based on quality commitment and collaborative partnerships, striving to build sustainable cooperative relationships with clients.
27+

27 godina industrije Iskustvo u proizvodnji

Certifikati
Vijesti
Hajde da razgovaramo
Samo pozdravite i započeli ćemo plodnu suradnju. Pokrenite vlastitu priču o uspjehu.
Trebate opremu za vaše poslovanje?
Neka vam tim pruži prilagođena rješenja.